
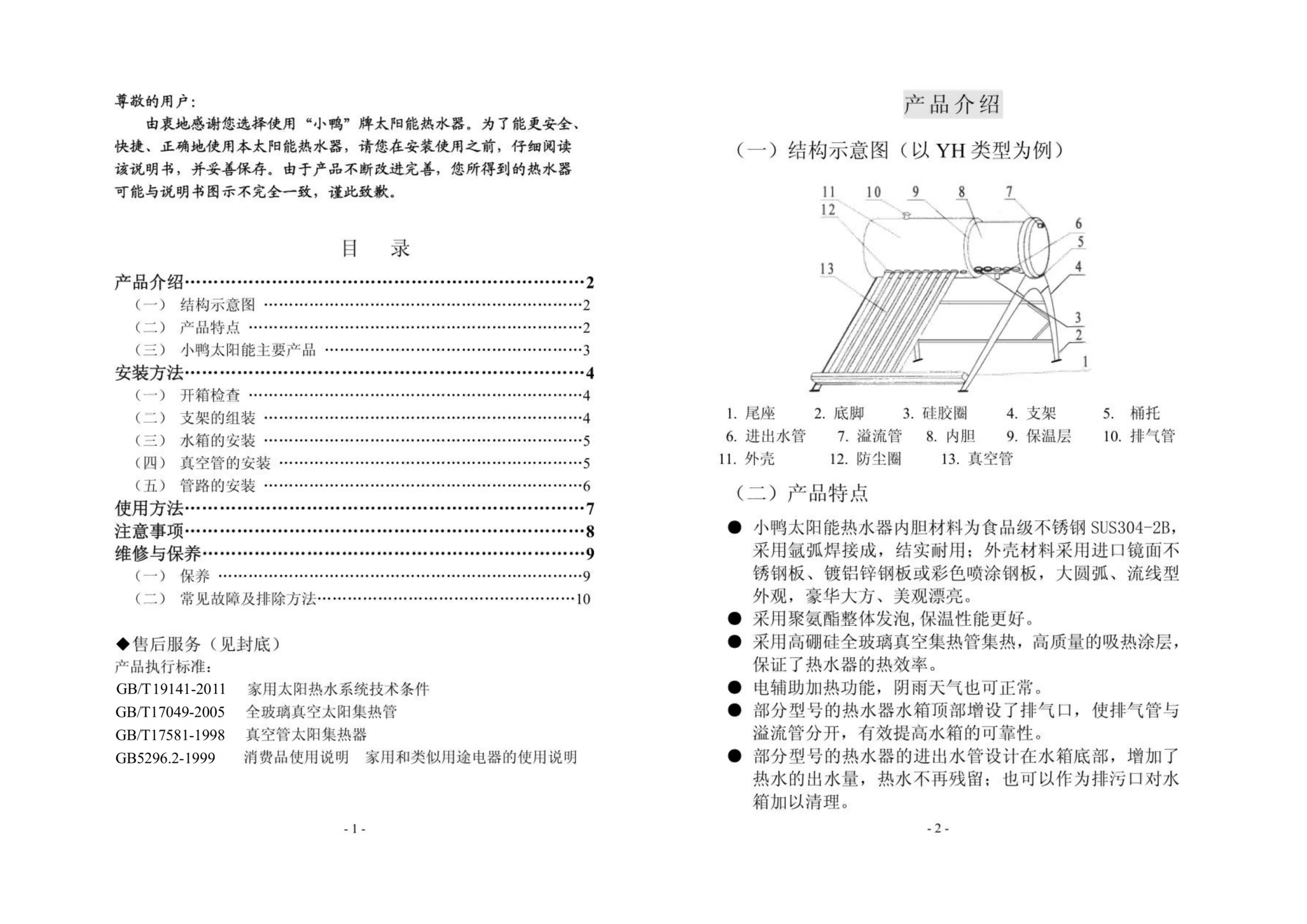
小鴨單機(jī)說(shuō)明書(shū)






? 2024 山東小鴨新能源科技有限公司 版權(quán)所有 魯ICP備19029213號(hào)-1
魯公網(wǎng)安備 37010202001185號(hào)

歡迎掃碼咨詢(xún)合作
郵編:250000
地址:山東省濟(jì)南市工業(yè)南路51號(hào)
電話(huà):+0531-83122958/83122588/88686843
郵箱:xiaoyaxny@163.com
400-6586-222